网站首页
留 言 版
简体中文
网站首页
关于我们
公司简介
产品中心
工程案例
新闻资讯
公司新闻
行业资讯
客户留言
客户留言
人才招聘
联络我们
产品分类
全部分类
EE/EI系列
EEL系列
EER/EEC/ER/EC系列
BASE/底座系列
CASE/壳子系列
EDR系列
EFD系列
EM系列
EP系列
EPC系列
POT系列
EQ系列
ERI系列
ERL系列
ETD系列
LEP系列
PQ系列
RM系列
UU滤波器系列
其他系列
EF系列
产品展示
Product
您的位置:
首頁
>>
>>
产品展示
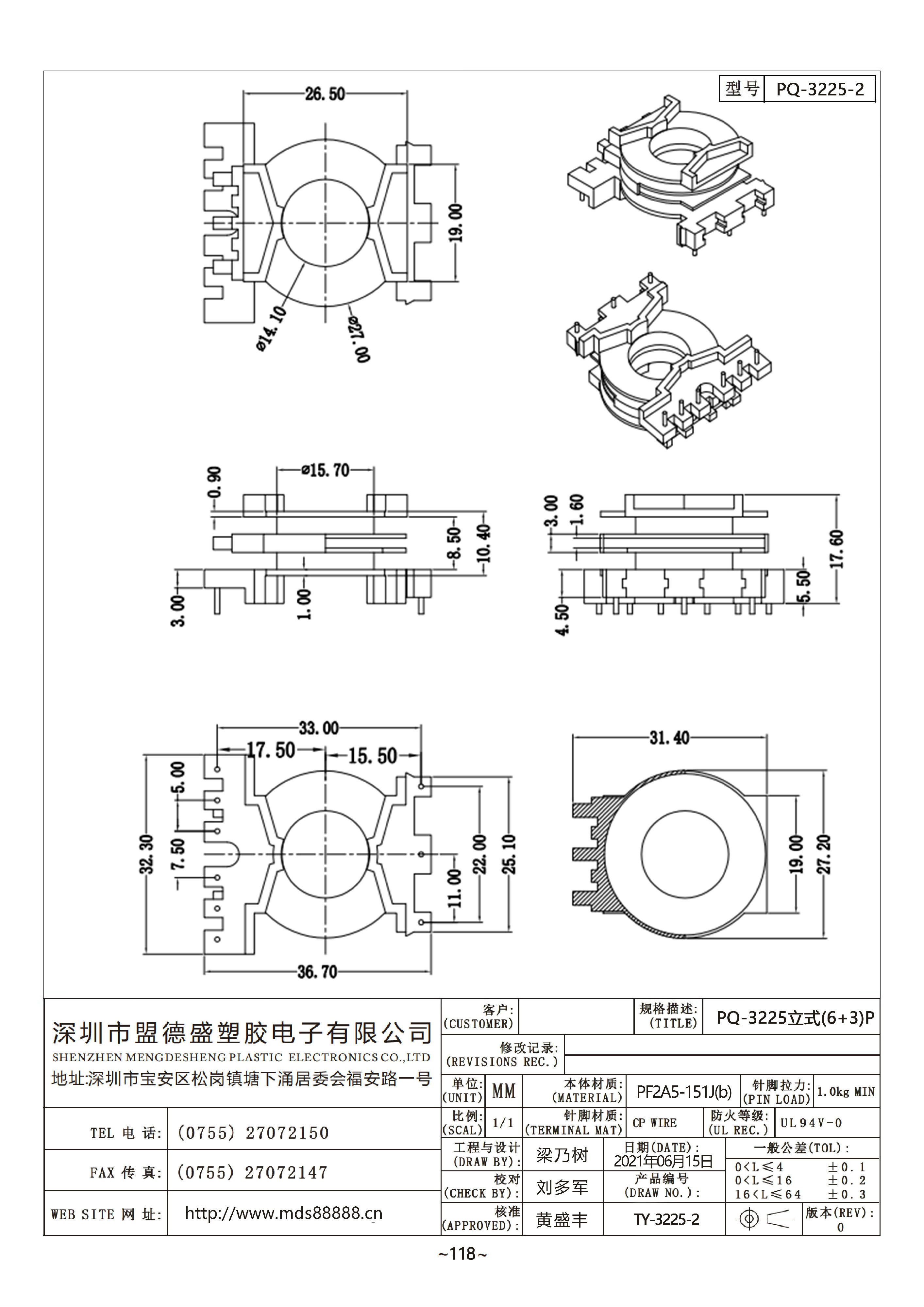
PQ-3225立式(6+3)P
产品型号:
PQ-3225立式(6+3)P
产品产地:
发布日期:
2025-07-16
浏览次数:
次
咨询电话:
0755-27072150
关 键 词:
TY-3225-2
0
在线询盘
在线咨询
下一个产品
上一个产品
详细介绍